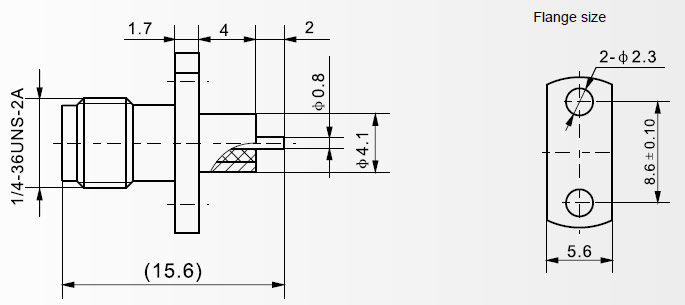
SMA-KFD454

Technical Characteristics

Parameter Value
Temperature range -65 to +165°C
Characteristic Impedance 50 Ω
Frequency range (with flexible cable) 0-12.4 GHz
Frequency range (with semi-rigid/flexible cable) 0-18 GHz
Voltage Standing Wave Ratio (VSWR, with flexible cable) ≤1.15 + 0.02F
Voltage Standing Wave Ratio (VSWR, with semi-rigid/flexible cable) ≤1.10 + 0.02F
Insulation resistance >5000 MΩ
Dielectric Withstanding voltage 1000 V
Contact resistance (center conductor) <0.003 Ω
Contact resistance (outer conductor) <0.002 Ω
Durability (Life cycles) 500 Cycles

Mechanical parameters

   

Description

Series SMA connectors are most commonly used, It have the advantages of miniature size, wide frequency range, excellent electrical performances and high reliability. The products have been widely used in the field of micro-wave communication, spece, flight and navigation, weapon system and micro-wave measuring equipment.

Send Request


    SMA-KFD454

    Series SMA connectors are most commonly used, It have the advantages of miniature size, wide frequency range, excellent electrical performances and high reliability. The products have been widely used in the field of micro-wave communication, spece, flight and navigation, weapon system and micro-wave measuring equipment.